Wall Mounted Accessible Drinking Fountain (Non Chilled)
Product Code: ACCDF
DDA compliant.
Description
Wall-Mounted Accessible Drinking Fountain (Non-Chilled)
Our Wall-Mounted Accessible Drinking Fountain (Non-Chilled) provides a fully DDA-compliant hydration point suitable for both wheelchair users and standing users. Built from robust grade 304 stainless steel, it is designed for long-term use in busy school environments, gyms, and commercial settings. This non-chilled model offers a hygienic, easy-to-operate drinking solution without the added cost of refrigeration.
The front-mounted anti-microbial push button ensures simple operation, while its flexible mounting height makes the unit suitable for both junior and adult installations. Engineered for durability and ease of maintenance, it is an excellent choice for high-traffic educational spaces.
Key Features & Benefits
Fully DDA compliant for inclusive use
304 stainless steel construction for hygiene and durability
Suitable for junior or adult height installation
Anti-microbial, easy-push bubbler control
Non-chilled design using mains water
Supplied With
Anti-microbial bubbler valve with flexible guard
Pre-plumbed system with Y-strainer and flow adjuster
32mm waste connection
Delivery
In stock for fast dispatch
Standard delivery: 1–3 working days
Related Products
Drinking fountain with sensor bottle filler (non chilled)
Chilled drinking fountain (no bottle filler)
Chilled drinking fountain with sensor bottle filler
**All pictures shown are for illustration purpose only and may be subject to change without notice. Actual product may vary due to product enhancement.
All dimensions shown are for guidance only and may be subject to change or alteration without notice. All items manufactured or purchased separately from a third party to fit our products should be checked against the actual dimensions of the physical product before purchase. We will not be liable for third party costs and consequential loss associated with the items not fitting third party components.**
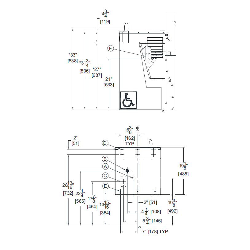
Dimensions

Delivery
Delivery
From stock usually 1 to 3 working days.
Delivery Times
Delivery times stated on the website are indicative of the average time it takes to deliver each product. All delivery times are based on working days and do not include weekends or Bank Holidays.
For remote areas sometimes deliveries may take a little longer than specified.
We will contact you if there are any known delays in the delivery times on your order.
Delivery Method
All orders are despatched by the most suitable and economic method.
If you have ordered several items they may arrive separately to make sure they are delivered by the quickest and most appropriate method, and to guarantee you get the best prices.
Please note our carriers do not offer fixed time slots, and due to time constraints are not able to telephone before delivering.
Product Attribute

